Ürünler
Dın 7984 İnce Kafa
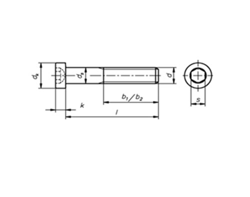
| d | M4 | M5 | M6 | M8 | M10 | M12 | M16 | M20 | M24 |
|---|---|---|---|---|---|---|---|---|---|
| b=I< 125 mm | 14 | 16 | 18 | 22 | 26 | 30 | 38 | 46 | 54 |
| b=I 125-200 mm | - | - | - | - | 32 | 36 | 44 | 52 | 60 |
| b=I> 200 mm | - | - | - | - | - | - | 57 | 65 | 73 |
| dk | 7 | 8,5 | 10 | 13 | 16 | 18 | 24 | 30 | 36 |
| k | 2,58 | 3,5 | 4 | 5 | 6,5 | 7,5 | 10 | 12 | 14 |
| s | 3 | 4 | 5 | 6 | 8 | 10 | 14 | 17 | 19 |
